Варна склад: ул. "Радост" срещу бл. 2, вх. Б | 088 629 1297, 088 895 0680
Продукти
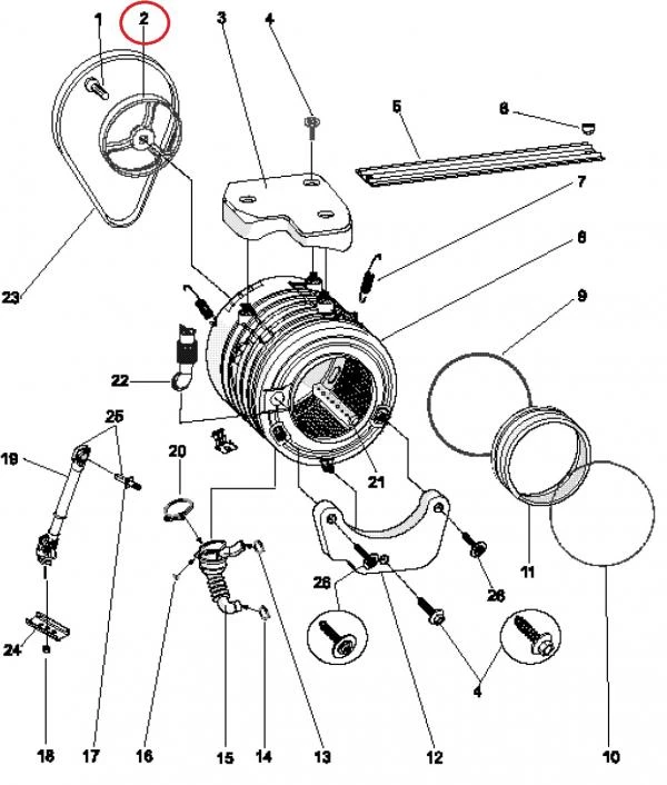
Голяма ремъчна шайба Диаметър: 280mm Височина: 20mm
869990568470 ARSL105EUT 46568470100
869990568470 ARSL105EUT 46568470200
869990840190 ECOS6L1051EUT 46840190000
869990952980 ECOS6L1052EUM 85952980000
869990840180 ECOS6L851EUT 46840180000
869991623100 EWSC51051WEUN 769991623101
869991619770 EWSC61251WEUN 769991619771
869990890530 EWSD50852WTK 85890530100
869990893690 EWSD51051WEU 769990893696
869990893690 EWSD51051WEU 85893690099
869990893690 EWSD51051WEU 85893690100
869990893690 EWSD51051WEU 85893690200
869990893690 EWSD51051WEU 85893690297
869990893690 EWSD51051WEU 85893690397
869990893680 EWSD60851WEU 85893680099
869990893680 EWSD60851WEU 85893680100
869990893680 EWSD60851WEU 85893680200
869990893680 EWSD60851WEU 85893680297
869990890580 EWSD60852WTK 85890580100
869990893670 EWSD61051WEU 769990893674
869990893670 EWSD61051WEU 85893670099
869990893670 EWSD61051WEU 85893670100
869990893670 EWSD61051WEU 85893670197
869990893660 EWSD61251WEU 85893660100
869991619720 EWSD61251WITN 769991619721
869991619810 EWSD61251WUKN 769991619811
869990893630 EWSD61252WEU 769990893637
869990893630 EWSD61252WEU 85893630099
869990893630 EWSD61252WEU 85893630100
869990893630 EWSD61252WEU 85893630199
869990893630 EWSD61252WEU 85893630200
869990893630 EWSD61252WEU 85893630297
869990887020 EWSD61252WUK 769990887024
869990887020 EWSD61252WUK 769990887025
869990887020 EWSD61252WUK 85887020099
869990887020 EWSD61252WUK 85887020100
869990887020 EWSD61252WUK 85887020197
869990893700 EWSE51051WEU 85893700100
869990893650 EWSE61251WEU 85893650200
869990892730 HFEL521PUKM 85892730100
869990892710 HSTB621PUKM 85892710100
869990892710 HSTB621PUKM 85892710197
869990893520 IWSB50651EUM 85893520100
869990834360 IWSB50651EUT 46834360000
869990628630 IWSB5065EU 46628630000
869990628630 IWSB5065EU 46628638700
869990628780 IWSB5105EU 46628780000
869990801390 IWSB51151ECOUK 46801390000
869990695180 IWSC4085ECOEE 46695180000
869990620540 IWSC4085EU 46620540000
869990620540 IWSC4085EU 46620540100
869990620540 IWSC4085EU 46620548700
869990620540 IWSC4085EU 46620548800
869990620540 IWSC4085EU 46620548900
869990695190 IWSC4105ECOEE 46695190000
869990620550 IWSC4105EU 46620550000
869990620550 IWSC4105EU 46620550100
869990620550 IWSC4105EU 46620550200
869990620550 IWSC4105EU 46620558700
869990620550 IWSC4105EU 46620558800
869990893550 IWSC50851CECOEUM 85893550100
869990620560 IWSC5085EU 46620560000
869990620560 IWSC5085EU 46620560100
869990620560 IWSC5085EU 46620568700
869990620560 IWSC5085EU 46620568800
869990697550 IWSC5085PL 46697550000
869990738830 IWSC5086ECOIT 46738830000
869990738830 IWSC5086ECOIT 46738838700
869990738830 IWSC5086ECOIT 46738838800
869990695770 IWSC5088EE 46695770000
869990788510 IWSC51051CECOEU 46788510000
869990893500 IWSC51051CECOEUM 85893500099
869990893500 IWSC51051CECOEUM 85893500100
869990893500 IWSC51051CECOEUM 85893500200
869990893500 IWSC51051CECOEUM 85893500300
869990893500 IWSC51051CECOEUM 85893500400
869990893500 IWSC51051CECOEUM 85893500497
869990788450 IWSC51051CECOIT 46788450000
869990887000 IWSC51051CECOIT 769990887004
869990887000 IWSC51051CECOIT 85887000099
869990887000 IWSC51051CECOIT 85887000100
869990887000 IWSC51051CECOIT 85887000197
869990800900 IWSC51051ECOUK 46800900000
869990893510 IWSC51051ECOUKM 85893510100
869990893510 IWSC51051ECOUKM 85893510197
869991544780 IWSC51052CECOPL 61544780000
869990620580 IWSC5105EU 46620580000
869990620580 IWSC5105EU 46620580100
869990620580 IWSC5105EU 46620580200
869990620580 IWSC5105EU 46620580300
869990620580 IWSC5105EU 46620588700
869990620580 IWSC5105EU 46620588800
869990696410 IWSC5105PL 46696410000
869990695760 IWSC5108EE 46695760000
869990788440 IWSC51251CECOIT 46788440000
869990788530 IWSC51251ECOUK 46788530000
869990628790 IWSC5125DE 46628790000
869990631130 IWSC5125EU 46631130000
869990631130 IWSC5125EU 46631130100
869990690840 IWSC5125UK 46690840000
869990738840 IWSC5126ECOIT 46738840000
869990738840 IWSC5126ECOIT 46738848700
869990738840 IWSC5126ECOIT 46738848800
869990788430 IWSC60881CECOIT 46788430000
869990893460 IWSC61051CECOEUM 85893460099
869990893460 IWSC61051CECOEUM 85893460100
869990893460 IWSC61051CECOEUM 85893460197
869990886990 IWSC61052CECOIT 769990886994
869990886990 IWSC61052CECOIT 85886990099
869990886990 IWSC61052CECOIT 85886990100
869990886990 IWSC61052CECOIT 85886990197
869990788410 IWSC61081CECOIT 46788410000
869990833300 IWSC61082CECOITT 46833300000
869991619800 IWSC61251WUKN 769991619801
869991578150 IWSC61252ECOUK 769991578151
869991578150 IWSC61252ECOUK 769991578152
869991578150 IWSC61252ECOUK 769991578153
869990952500 IWSC61253CECOEUM 769990952504
869990952500 IWSC61253CECOEUM 769990952505
869990952500 IWSC61253CECOEUM 85952500000
869990952500 IWSC61253CECOEUM 85952500097
869990952500 IWSC61253CECOEUM 85952500099
869990695170 IWSD4105ECOEE 46695170000
869990695170 IWSD4105ECOEE 46695170100
869990695170 IWSD4105ECOEE 46695178700
869990695170 IWSD4105ECOEE 46695178800
869990628800 IWSD4105EU 46628800000
869990628800 IWSD4105EU 46628800100
869990628800 IWSD4105EU 46628808700
869990628800 IWSD4105EU 46628808800
869990628800 IWSD4105EU 46628809000
869990697560 IWSD4105PL 46697560000
869990898220 IWSD50852CECOTK 85898220000
869990787360 IWSD51051CECOEU 46787360000
869990718690 IWSD5108CIS 46718690000
869990695780 IWSD5108ECOEE 46695780000
869990788500 IWSD51251CECOEU 46788500000
869991544830 IWSD51252CECOPL 61544830000
869991544830 IWSD51252CECOPL 61544830099
869990628820 IWSD5125EU 46628820000
869990697540 IWSD5125PL 46697540000
869990697540 IWSD5125PL 46697548700
869990898230 IWSD60852CECOTK 85898230000
869990898230 IWSD60852CECOTK 85898230097
869990898230 IWSD60852CECOTK 85898230099
869990787340 IWSD61081CECOEU 46787340000
869990934310 IWSD61251CECOEUM 85934310000
869991544810 IWSD61252CECOEU 61544810000
869990787320 IWSD61281CECOEU 46787320000
869990620630 IWSE4125EU 46620630000
869990620630 IWSE4125EU 46620630100
869990620630 IWSE4125EU 46620638700
869990620630 IWSE4125EU 46620638800
869990620630 IWSE4125EU 46620638900
869990620640 IWSE5085BEU 46620640000
869990620640 IWSE5085BEU 46620640100
869990620640 IWSE5085BEU 46620648700
869990697530 IWSE5085BPL 46697530000
869990748160 IWSE51050BECOPL 46748160000
869990748160 IWSE51050BECOPL 46748168700
869990748160 IWSE51050BECOPL 46748168800
869990620650 IWSE5105BEU 46620650000
869990620650 IWSE5105BEU 46620658700
869990620650 IWSE5105BEU 46620658800
869990620650 IWSE5105BEU 46620659000
869990682290 IWSE5105BPL 46682290000
869990695690 IWSE5108BEE 46695690000
869990718700 IWSE5108BEU 46718700000
869990718700 IWSE5108BEU 46718708700
869990718700 IWSE5108BEU 46718708800
869990695580 IWSE5108EE 46695580000
869990748150 IWSE51250BECOPL 46748150000
869990748150 IWSE51250BECOPL 46748158700
869990748150 IWSE51250BECOPL 46748158800
869990787350 IWSE51251CECOEU 46787350000
869990620660 IWSE5125BEU 46620660000
869990682300 IWSE5125BPL 46682300000
869990728090 IWSE5128ECOEE 46728090000
869990887190 IWSE61051CECOEX 85887190100
869990887170 IWSE61051CECOGCC 85887170100
869990887170 IWSE61051CECOGCC 85887170197
869991544950 IWSE61053BCECOPL 61544950000
869991008630 IWSE61253CECOEUM 61008630000
869991008630 IWSE61253CECOEUM 61008630097
869990895890 IWSNC51051X9EUM 85895890100
869990895890 IWSNC51051X9EUM 85895890197
869990895890 IWSNC51051X9EUM 85895890297
869991008120 IWSNE61253CECOEUM 61008120000
869990593040 WISL105EU1 46593040000
869990546540 WISL105EX1 46546540100
869990545930 WISL105PL1 46545930100
869990546530 WISL106IT1 46546530100
869990546890 WISL125DE1 46546890100
869990546480 WISL62EX1 46546480100
869990546510 WISL65PL1 46546510100
869990545900 WISL66IT1 46545900100
869990593030 WISL85EU1 46593030000
869990546550 WISL85EX1 46546550100
869990545940 WISL85PL1 46545940100
869990545880 WISL86IT1 46545880100
Голяма ремъчна шайба Диаметър: 280mm Височина: 20mm
869990568470 ARSL105EUT 46568470100
869990568470 ARSL105EUT 46568470200
869990840190 ECOS6L1051EUT 46840190000
869990952980 ECOS6L1052EUM 85952980000
869990840180 ECOS6L851EUT 46840180000
869991623100 EWSC51051WEUN 769991623101
869991619770 EWSC61251WEUN 769991619771
869990890530 EWSD50852WTK 85890530100
869990893690 EWSD51051WEU 769990893696
869990893690 EWSD51051WEU 85893690099
869990893690 EWSD51051WEU 85893690100
869990893690 EWSD51051WEU 85893690200
869990893690 EWSD51051WEU 85893690297
869990893690 EWSD51051WEU 85893690397
869990893680 EWSD60851WEU 85893680099
869990893680 EWSD60851WEU 85893680100
869990893680 EWSD60851WEU 85893680200
869990893680 EWSD60851WEU 85893680297
869990890580 EWSD60852WTK 85890580100
869990893670 EWSD61051WEU 769990893674
869990893670 EWSD61051WEU 85893670099
869990893670 EWSD61051WEU 85893670100
869990893670 EWSD61051WEU 85893670197
869990893660 EWSD61251WEU 85893660100
869991619720 EWSD61251WITN 769991619721
869991619810 EWSD61251WUKN 769991619811
869990893630 EWSD61252WEU 769990893637
869990893630 EWSD61252WEU 85893630099
869990893630 EWSD61252WEU 85893630100
869990893630 EWSD61252WEU 85893630199
869990893630 EWSD61252WEU 85893630200
869990893630 EWSD61252WEU 85893630297
869990887020 EWSD61252WUK 769990887024
869990887020 EWSD61252WUK 769990887025
869990887020 EWSD61252WUK 85887020099
869990887020 EWSD61252WUK 85887020100
869990887020 EWSD61252WUK 85887020197
869990893700 EWSE51051WEU 85893700100
869990893650 EWSE61251WEU 85893650200
869990892730 HFEL521PUKM 85892730100
869990892710 HSTB621PUKM 85892710100
869990892710 HSTB621PUKM 85892710197
869990893520 IWSB50651EUM 85893520100
869990834360 IWSB50651EUT 46834360000
869990628630 IWSB5065EU 46628630000
869990628630 IWSB5065EU 46628638700
869990628780 IWSB5105EU 46628780000
869990801390 IWSB51151ECOUK 46801390000
869990695180 IWSC4085ECOEE 46695180000
869990620540 IWSC4085EU 46620540000
869990620540 IWSC4085EU 46620540100
869990620540 IWSC4085EU 46620548700
869990620540 IWSC4085EU 46620548800
869990620540 IWSC4085EU 46620548900
869990695190 IWSC4105ECOEE 46695190000
869990620550 IWSC4105EU 46620550000
869990620550 IWSC4105EU 46620550100
869990620550 IWSC4105EU 46620550200
869990620550 IWSC4105EU 46620558700
869990620550 IWSC4105EU 46620558800
869990893550 IWSC50851CECOEUM 85893550100
869990620560 IWSC5085EU 46620560000
869990620560 IWSC5085EU 46620560100
869990620560 IWSC5085EU 46620568700
869990620560 IWSC5085EU 46620568800
869990697550 IWSC5085PL 46697550000
869990738830 IWSC5086ECOIT 46738830000
869990738830 IWSC5086ECOIT 46738838700
869990738830 IWSC5086ECOIT 46738838800
869990695770 IWSC5088EE 46695770000
869990788510 IWSC51051CECOEU 46788510000
869990893500 IWSC51051CECOEUM 85893500099
869990893500 IWSC51051CECOEUM 85893500100
869990893500 IWSC51051CECOEUM 85893500200
869990893500 IWSC51051CECOEUM 85893500300
869990893500 IWSC51051CECOEUM 85893500400
869990893500 IWSC51051CECOEUM 85893500497
869990788450 IWSC51051CECOIT 46788450000
869990887000 IWSC51051CECOIT 769990887004
869990887000 IWSC51051CECOIT 85887000099
869990887000 IWSC51051CECOIT 85887000100
869990887000 IWSC51051CECOIT 85887000197
869990800900 IWSC51051ECOUK 46800900000
869990893510 IWSC51051ECOUKM 85893510100
869990893510 IWSC51051ECOUKM 85893510197
869991544780 IWSC51052CECOPL 61544780000
869990620580 IWSC5105EU 46620580000
869990620580 IWSC5105EU 46620580100
869990620580 IWSC5105EU 46620580200
869990620580 IWSC5105EU 46620580300
869990620580 IWSC5105EU 46620588700
869990620580 IWSC5105EU 46620588800
869990696410 IWSC5105PL 46696410000
869990695760 IWSC5108EE 46695760000
869990788440 IWSC51251CECOIT 46788440000
869990788530 IWSC51251ECOUK 46788530000
869990628790 IWSC5125DE 46628790000
869990631130 IWSC5125EU 46631130000
869990631130 IWSC5125EU 46631130100
869990690840 IWSC5125UK 46690840000
869990738840 IWSC5126ECOIT 46738840000
869990738840 IWSC5126ECOIT 46738848700
869990738840 IWSC5126ECOIT 46738848800
869990788430 IWSC60881CECOIT 46788430000
869990893460 IWSC61051CECOEUM 85893460099
869990893460 IWSC61051CECOEUM 85893460100
869990893460 IWSC61051CECOEUM 85893460197
869990886990 IWSC61052CECOIT 769990886994
869990886990 IWSC61052CECOIT 85886990099
869990886990 IWSC61052CECOIT 85886990100
869990886990 IWSC61052CECOIT 85886990197
869990788410 IWSC61081CECOIT 46788410000
869990833300 IWSC61082CECOITT 46833300000
869991619800 IWSC61251WUKN 769991619801
869991578150 IWSC61252ECOUK 769991578151
869991578150 IWSC61252ECOUK 769991578152
869991578150 IWSC61252ECOUK 769991578153
869990952500 IWSC61253CECOEUM 769990952504
869990952500 IWSC61253CECOEUM 769990952505
869990952500 IWSC61253CECOEUM 85952500000
869990952500 IWSC61253CECOEUM 85952500097
869990952500 IWSC61253CECOEUM 85952500099
869990695170 IWSD4105ECOEE 46695170000
869990695170 IWSD4105ECOEE 46695170100
869990695170 IWSD4105ECOEE 46695178700
869990695170 IWSD4105ECOEE 46695178800
869990628800 IWSD4105EU 46628800000
869990628800 IWSD4105EU 46628800100
869990628800 IWSD4105EU 46628808700
869990628800 IWSD4105EU 46628808800
869990628800 IWSD4105EU 46628809000
869990697560 IWSD4105PL 46697560000
869990898220 IWSD50852CECOTK 85898220000
869990787360 IWSD51051CECOEU 46787360000
869990718690 IWSD5108CIS 46718690000
869990695780 IWSD5108ECOEE 46695780000
869990788500 IWSD51251CECOEU 46788500000
869991544830 IWSD51252CECOPL 61544830000
869991544830 IWSD51252CECOPL 61544830099
869990628820 IWSD5125EU 46628820000
869990697540 IWSD5125PL 46697540000
869990697540 IWSD5125PL 46697548700
869990898230 IWSD60852CECOTK 85898230000
869990898230 IWSD60852CECOTK 85898230097
869990898230 IWSD60852CECOTK 85898230099
869990787340 IWSD61081CECOEU 46787340000
869990934310 IWSD61251CECOEUM 85934310000
869991544810 IWSD61252CECOEU 61544810000
869990787320 IWSD61281CECOEU 46787320000
869990620630 IWSE4125EU 46620630000
869990620630 IWSE4125EU 46620630100
869990620630 IWSE4125EU 46620638700
869990620630 IWSE4125EU 46620638800
869990620630 IWSE4125EU 46620638900
869990620640 IWSE5085BEU 46620640000
869990620640 IWSE5085BEU 46620640100
869990620640 IWSE5085BEU 46620648700
869990697530 IWSE5085BPL 46697530000
869990748160 IWSE51050BECOPL 46748160000
869990748160 IWSE51050BECOPL 46748168700
869990748160 IWSE51050BECOPL 46748168800
869990620650 IWSE5105BEU 46620650000
869990620650 IWSE5105BEU 46620658700
869990620650 IWSE5105BEU 46620658800
869990620650 IWSE5105BEU 46620659000
869990682290 IWSE5105BPL 46682290000
869990695690 IWSE5108BEE 46695690000
869990718700 IWSE5108BEU 46718700000
869990718700 IWSE5108BEU 46718708700
869990718700 IWSE5108BEU 46718708800
869990695580 IWSE5108EE 46695580000
869990748150 IWSE51250BECOPL 46748150000
869990748150 IWSE51250BECOPL 46748158700
869990748150 IWSE51250BECOPL 46748158800
869990787350 IWSE51251CECOEU 46787350000
869990620660 IWSE5125BEU 46620660000
869990682300 IWSE5125BPL 46682300000
869990728090 IWSE5128ECOEE 46728090000
869990887190 IWSE61051CECOEX 85887190100
869990887170 IWSE61051CECOGCC 85887170100
869990887170 IWSE61051CECOGCC 85887170197
869991544950 IWSE61053BCECOPL 61544950000
869991008630 IWSE61253CECOEUM 61008630000
869991008630 IWSE61253CECOEUM 61008630097
869990895890 IWSNC51051X9EUM 85895890100
869990895890 IWSNC51051X9EUM 85895890197
869990895890 IWSNC51051X9EUM 85895890297
869991008120 IWSNE61253CECOEUM 61008120000
869990593040 WISL105EU1 46593040000
869990546540 WISL105EX1 46546540100
869990545930 WISL105PL1 46545930100
869990546530 WISL106IT1 46546530100
869990546890 WISL125DE1 46546890100
869990546480 WISL62EX1 46546480100
869990546510 WISL65PL1 46546510100
869990545900 WISL66IT1 46545900100
869990593030 WISL85EU1 46593030000
869990546550 WISL85EX1 46546550100
869990545940 WISL85PL1 46545940100
869990545880 WISL86IT1 46545880100
вашият доверен
партньор
оригинални
продукти
гаранция
за всеки продукт
консултация от
квалифициран служител
бърза
доставка